Le système Grove
(Création 4 juin 2022, en cours de rédaction)
Description
Le système grove est composé d'un semble de modules au design ouvert (les schémas sont disponibles), de dimensions standardisés, avec un connecteur propriétaire qui permet de les relier à des cartes additionnelles pour arduino ou autres cartes programmables (raspberry pi, micro:bit, etc.). Le brochage de scables est également standardisé.
Tous les modules ne fonctionnent pas à la même tension, certains sont en 3V3 et 5V, d'autres ne fonctionnenet qu'à une seule tension, voire la compatibilité ci-dessous.
On trouve aussi des modules «breadboard» et «protoshield» pour fabriquer ses propres modules.
Site principal : https://www.seeedstudio.com/grove.html
Dimensions
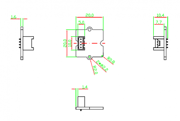
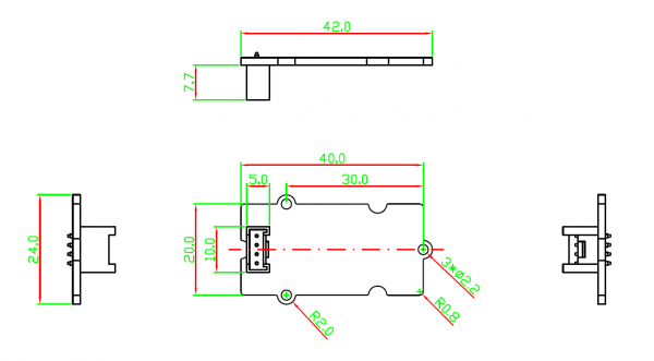
Il existe 5 types de modules : 20x20mm, 20x40mm (les plus communs), 20x60mm, 40x40mm, 40x60mm
dimensions des modules : https://files.seeedstudio.com/wiki/GroveSystem/res/Grove_Mechnical_Drawing.zip
Les cables de liaisons avec connecteurs existent en différentes tailles : 20cm pour les plus communs, mais aussi 5cm, 30cm, 40cm ou 50cm.
On trouve aussi des cables en Y , des cables avec terminaisons pour jumper male ou femelle, des cables de connexion avec les systèmes STEMMA QT (d'Afafruit) ou QWIIC (de Sparkfun) qui utilisent tous les deux un connecteur JST 4pin 1.0mm
Rivets et grille de dimension : il existe des rivets qui permettent de fixer les module sur une grille de 10mm d'écart, 2mm de diamètre (à fabriquer à la CNC par exemple).
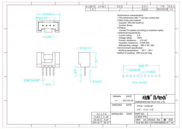
Un connecteur propriétaire
Le connecteur n'utilise pas un standard commun (pas du JST), bien que Seedstudio vende les connecteurs à souder (DIP ou SMT), on ne trouve pas les connecteurs qui permettraient de faire soit-même les cables…
datasheet : connecteur grove
Brochage
| couleur | digital | analogique | I2C | série |
|---|---|---|---|---|
| 1 - jaune | DI/DO principal | AO principal | SCL (horloge I2C) | RX de la carte reliée* |
| 2 - blanc | DI/DO secondaire | AO secondaire | SDA (data I2C) | TX de la carte reliée* |
| 3 - rouge | VCC | VCC | VCC | VCC |
| 4 - noir | GND | GND | GND | GND |
* la broche RX de la carte est à relier à la broche RX du module grove, idem pour TX
Compatibilité mécanique avec des systèmes modulaires
Lego
Seedstudio vend des «grove lego wrappers» qui permettent de fixer les modules sur des legos
On peut trouver des fichiers pour l'impression 3D sur thingiverse :
Makeblock
DIY
Des boîtiers en tout genre peuvent être fabriqués en impression 3D (chercher «seeed grove» sur thingiverse)
Ainsi que des pièces de montage
Code
Python, C
Seeedstudio donne une liste de compatibilité de tous les modules (tension d'utilisation et bibliothèques de code pour s'en servir) : https://www.seeedstudio.com/compatibility-list.html
Les bibliothèques sont disponibles en C, python depuis l'IDE arduino ou sur github : https://github.com/orgs/Seeed-Studio/repositories?language=&q=grove&sort=&type=all
Codecraft
Codecraft est un langage par blocs, basé sur Scratch3.0 qui permet de programmer un arduino. 40 modules environ sont compatibles avec Codecraft
- codecraft : https://ide.tinkergen.com/
- modules grove compatibles https://wiki.seeedstudio.com/Codecraft_Grove_Compatible_List/
- compatibilité arduino : https://wiki.seeedstudio.com/Guide_for_Codecraft_using_Arduino/
- exemples de code : https://github.com/SeeedDocument/Codecraft_Grove_Compatible
Modules et matériel disponible à l'atelier des portes logiques
Tout un tas de modules Grove…
Et des cartes électroniques sur lesquelles brancher directement les modules
- Seeeduino Xiao + shield grove
Ressources
- Description du système grove par le fabricant : https://wiki.seeedstudio.com/Grove_System/#size-of-grove
- Compatibilité des modules (arduino, rpi, microbit, etc.) : https://www.seeedstudio.com/compatibility-list.html
- wrappers : https://wiki.seeedstudio.com/Grove-Wrapper/
- forum seeedstudio / grove : https://forum.seeedstudio.com/c/products/grove/12
- wiki de documentation des modules https://wiki.seeedstudio.com/Grove/
- github Seeedstudio : https://github.com/Seeed-Studio









